ПХД тақтасына арналған бұл БҰҰ тойтармалары әдетте төмен көміртекті немесе тот баспайтын болат немесе алюминий сияқты жақсы болат қорытпаларынан жасалады. Олар қатты механикалық беріктікке ие және уақыт өте жақсы сақталады.
Болаттар ең көп созылу және ығысу беріктігін ұсынады. Алюминийлер, керісінше, электр тогын жақсы өткізеді және жеңіл.
Бұл шпилькалар үшін таңдалған металл олардың ауыр механикалық жүктемелерге, қыздыру және салқындату циклдарынан болатын кернеулерге төтеп бере алатынын және өнім пайдаланылған уақыт бойы берік болатынын білдіреді.
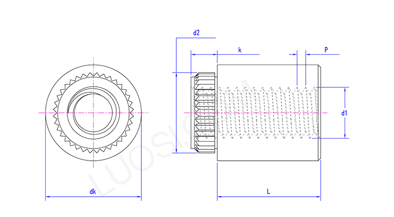
ПХД тақшасына арналған БҰҰ тойтармаланған шпилька - баспа тақшаларында (ПХД) сенімді сыртқы бұрандалы бекіту нүктесін қамтамасыз ету үшін пайдаланылатын тұрақты және жоғары берік бекіткіш. Мұнда «БҰҰ» әдетте оның әртүрлі стандартты гайкалармен үйлесімділігін қамтамасыз ететін стандартталған бұрандалы жіп түріне (мысалы, UNC немесе UNF) сілтеме жасай отырып, «Бірыңғай ұлттық стандартты» білдіреді.
Орнату процесі жылдам және тиімді. Шпильканы ПХД тақтасындағы алдын ала бұрғыланған тесікке салыңыз. Содан кейін арнайы тойтару құралын пайдаланып, шпильканың жалпақ ұшын деформациялаңыз, осылайша оның сыртқа қарай кеңейіп, тойтарма басы мен шпильканың иығы немесе фланеці арасында берік ұстаңыз, осылайша дәнекерлеуді қажет етпей, берік және дірілге төзімді қосылым жасаңыз.
Бұл әдіс әсіресе үлкен механикалық кернеуге төтеп беруді қажет ететін, бірнеше қосылатын қосылым әрекеттерін қажет ететін немесе дәнекерлеу нәтижесінде пайда болатын жылу сезімтал компоненттерді зақымдауы мүмкін сценарийлер үшін қолайлы.
Бұл ПХД тақтасына арналған БҰҰ тойтармалары суық қалыптау немесе тойтару әдісі арқылы салынған.
Сіз шпильканы ПХД-да алдын ала бұрғыланған тесік арқылы жабыстырасыз. Содан кейін арнайы тойтару құралы шпилька сапты тақта астындағы қалыпқа қарсы иіп, оны орнында ұстайтын тұрақты, жалындаған құлып жасайды.
Суық өңдеу әдісі жылуды азайтады және ПХД ламинатына немесе схемасына зақым келтірмейді. Дұрыс орнатылған кезде шпилькалар плата құрылымын бұзбай күшті және дірілге төзімді бекітуді қамтамасыз етеді.

| Нарық | Табыс (өткен жыл) | Жалпы табыс (%) |
| Солтүстік америка | Құпия | 20 |
| Оңтүстік америка | Құпия | 4 |
| Шығыс Еуропа | Құпия | 24 |
| Оңтүстік-Шығыс Азия | Құпия | 2 |
| Африка | Құпия | 2 |
| Океания | Құпия | 1 |
| Таяу Шығыс | Құпия | 4 |
| Шығыс Азия | Құпия | 13 |
| Батыс Еуропа | Құпия | 18 |
| Орталық Америка | Құпия | 6 |
| Солтүстік Еуропа | Құпия | 2 |
| Оңтүстік Еуропа | Құпия | 1 |
| Оңтүстік Азия | Құпия | 4 |
| Ішкі нарық | Құпия | 5 |