Үй > Өнімдер > Жаңғақ > Дөңгелек гайка > Саңылауы бар дөңгелек гайка
        Саңылауы бар дөңгелек гайка
        • Саңылауы бар дөңгелек гайкаСаңылауы бар дөңгелек гайка
        • Саңылауы бар дөңгелек гайкаСаңылауы бар дөңгелек гайка

        Саңылауы бар дөңгелек гайка

        Слотпен Қытайда жасалған Xiaoguo® дөңгелек гайка GB812 ұлттық стандарттарына, DIN 981 неміс стандартына және ISO 7718 халықаралық стандартына сәйкес келеді. Сондықтан өнімнің өлшемі мен жіп дәлдігі қатаң реттеледі және қадағаланады. Тегін үлгі ұясы бар дөңгелек гайка Біз ынтымақтастығымыздың бастапқы кезеңінде сізге осы үлгіні береміз.

        Сұрау жіберу

        Өнім Сипаттамасы

        Баптау процесі

        Саңылаулары бар стандартты емес дөңгелек гайка үшін әдеттегі теңшеу процесі:

        (1)Сұраныс байланысы: өнімнің функцияларына, өлшемдеріне, материалдарына және т.б. қойылатын талаптарды нақты анықтаңыз.

        (2)Сызбаны растау: 2D/3D сызбаларын беріңіз және өлшемдер мен рұқсаттарды растау үшін инженерлермен байланысыңыз.

        (3) Үлгі өндірісі: үлгілерді шығару үшін қалып жасалады және олар сынақтар мен тексерулерден өткеннен кейін тұтынушыларға фотосуреттер мен бейнелер ұсынылады.

        (4)Жаппай өндіріс: Тұтынушы үлгінің біліктілігін растағаннан кейін жаппай өндіріс кезеңі басталады.

        (5)Жеткізу кезінде сапаны тексеру: жөнелту алдында қатаң тексерулер жүргізіледі және тауарлармен бірге сапа туралы есептер ұсынылады.

        Round Nut with Slot

        Реттелетін негізгі аспектілер

        Слоты бар дөңгелек гайкаға арналған стандартты емес теңшеу қызметі өте жетілген. Барлық дерлік негізгі параметрлерді нақты пайдалануыңызға сәйкес икемді түрде реттеуге болады.

        (1)Өлшемдері мен техникалық сипаттамалары:

        Толық өлшемді реттеу: сыртқы диаметрі, ішкі диаметрі және қалыңдығы (биіктігі) барлығын теңшеуге болады.

        Мамандандырылған теңшеу: жаңғақтардың ұзартылған, сатылы, соқыр тесік түрлері және т.б. сияқты теңшелген нұсқалары қамтамасыз етілуі мүмкін.

        (2)Жіп параметрлері:

        Әртүрлі жіп стандарттары: Жиі қолданылатын метрикалық жұқа жіптерден басқа, ол метрикалық өрескел жіптерді, американдық стандартты жіптерді және британдық стандартты жіптерді және т.б. қолдайды.

        Арнайы жіп түрі: жіптерді талаптарға сай теңшеуге болады.


        (3)Материалды таңдау:

        Металл материалдар: көміртекті болат, легирленген болат, тот баспайтын болат, жез, алюминий қорытпасы, титан қорытпасы және т.б.

        Металл емес материалдар: Кейбір арнайы қолданбалар үшін нейлон және PEEK қолдануға болады.

        (4)Механикалық қасиеттері:

        Беріктік дәрежесі: Саңылаулары бар дөңгелек гайкаға арналған теңшелетін опциялар әртүрлі өнімділік талаптарына жауап беруге арналған 4.8, 8.8, 10.9 және 12.9 сияқты бағаларды қамтиды.

        Механикалық көрсеткіштер: Нақты талаптарға сәйкес теңшеуге болады.

        (5)Бетті өңдеу:

        Оның ішінде мырыштау, қаралау, дакронды жабу және никельмен қаптау сияқты процестер.

        (6)Слот типті дизайн:

        Қопсытуға немесе орнатуға қойылатын талаптарға сәйкес әртүрлі сандарды, ені, тереңдіктерді немесе ойықтардың арнайы пішіндерін жобалауға болады.

        (7)Стандартты емес стандарттар: ұлттық стандарттар (GB), неміс стандарттары (DIN), американдық стандарттар (ANSI) және жапондық стандарттар (JIS) сияқты әртүрлі стандартты жүйелер үшін стандартты емес нұсқаларды түрлендіруді қолдау.

        Round Nut with Slot

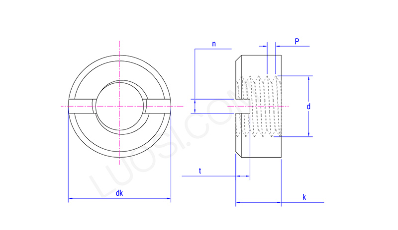
        дүйсенбі M3.5 M4 M5 M6 M8 M10 M12 M14 M16 M18 M20
        P 0.6 0.7 0.8 1 1.25 1.5 1.75 2 2 2.5 2.5
        dk макс 7 8 9 11 14 18 21 24 26 29 32
        dk мин 6.64 7.64 8.64 10.57 13.57 17.57 20.48 23.48 25.48 28.48 31.38
        k макс 3 3.5 4.2 5 6.5 8 10 11 12 13 14
        k мин 2.75 3.2 3.9 4.7 6.14 7.64 9.64 10.57 11.57 12.57 13.57
        n мин 1.46 1.46 2.06 2.56 3.06 3.57 4.07 4.07 4.07 4.07 5.07
        n макс 1.71 1.71 2.31 2.81 3.31 3.87 4.37 4.37 4.37 4.37 5.37
        т мин 1 1.2 15 2 2.5 3.2 3.8 3.8 3.8 4.8 4.8
        t макс 1.40 1.60 1.90 2.4 3 3.7 4.3 4.3 4.3 5.5 5.5
        Hot Tags: Слотпен дөңгелек гайка, Қытай, өндіруші, жеткізуші, зауыт
        Қатысты санат
        Сұрау жіберу
        Сұрауыңызды төмендегі формада қалдырыңыз. Біз сізге 24 сағат ішінде жауап береміз.
        X
        Біз cookie файлдарын сізге жақсырақ шолу тәжірибесін ұсыну, сайт трафигін талдау және мазмұнды жекелендіру үшін пайдаланамыз. Осы сайтты пайдалану арқылы сіз cookie файлдарын пайдалануымызға келісесіз. Құпиялылық саясаты
        Қабылдамау Қабылдау