Үй > Өнімдер > Жаңғақ > Алты қырлы фланецті гайка > Метрикалық алтыбұрышты фланецті гайка
        Метрикалық алтыбұрышты фланецті гайка
        • Метрикалық алтыбұрышты фланецті гайкаМетрикалық алтыбұрышты фланецті гайка
        • Метрикалық алтыбұрышты фланецті гайкаМетрикалық алтыбұрышты фланецті гайка
        • Метрикалық алтыбұрышты фланецті гайкаМетрикалық алтыбұрышты фланецті гайка

        Метрикалық алтыбұрышты фланецті гайка

        Метрикалық алтыбұрышты фланецті гайка – метрикалық өлшемге сәйкес фланецті беті бар алтыбұрышты гайка. Xiaoguo® өндірушісі стандарттарға сәйкес келетін метрикалық алтыбұрышты фланецті гайкаларды қамтамасыз етеді және кәсіби қызметкерлер сұрақтарға жауап беруге әрқашан қол жетімді.
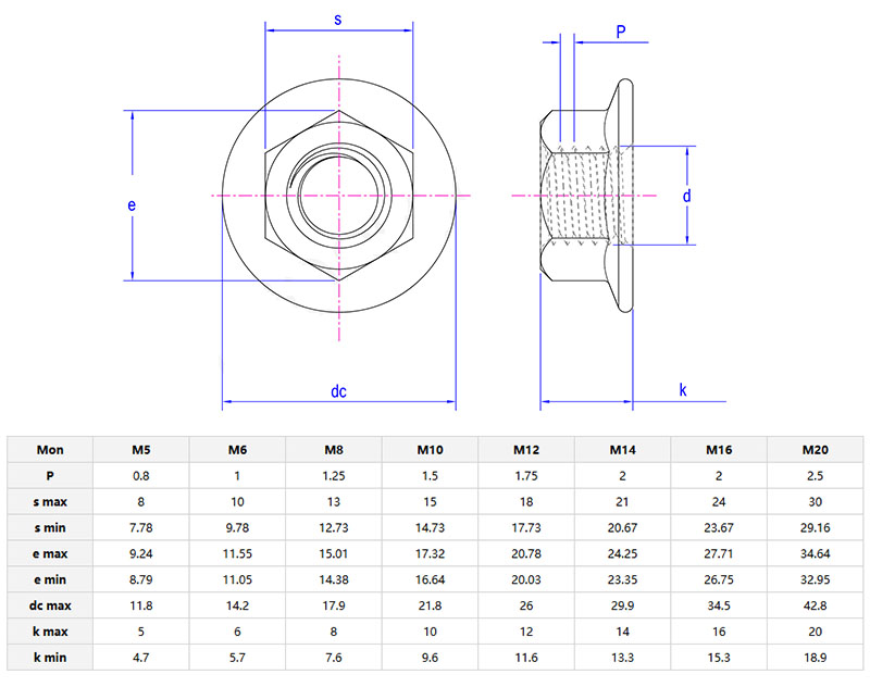
        Үлгі:ASME/ANSI B18.2.4.4M-1982

        Сұрау жіберу

        Өнім Сипаттамасы

        Механизаторлар мен құрылысшылар метрикалық алтыбұрышты фланецті гайканы жоғары тербеліс ортада пайдаланады. Фланец бетті мықтап ұстайды, бұл гайканы босату қаупін азайтады, ал метрикалық жіп стандартты болттарға ADAPTS, сондықтан арнайы өлшемдерді теңшеудің қажеті жоқ.

        Metric hex flange nut

        Өнімнің мәліметтері мен параметрлері

        Метрикалық алтыбұрышты фланецті гайка стандартты алтыбұрышты гайка мен кіріктірілген фланецтің (шайбаның) тіркесімі болып табылады. Ол діріл әсерінен гайканың босап кетуіне жол бермей, бетті қорғау үшін қысымды тарата алады. Ол машиналарда, көліктерде немесе құрылыста пайдалану үшін болаттан және тот баспайтын болаттан жасалған. Фланецтер бөлек тығыздағыштардың қажеттілігін жояды, осылайша орнату уақытын және бөлшектердің санын үнемдейді.

        Фермерлер мен ауыл шаруашылығы қызметкерлері тракторларда, комбайндарда және суару жүйелерінде метрикалық алтыбұрышты фланецті гайкаларды пайдаланады. Фланцтар шаңды немесе лайлы ортада жаңғақтардың босап кетуіне жол бермейді, ал метрикалық жіптер көптеген ауылшаруашылық жабдықтарының болттарына сәйкес келеді. Ол күнделікті тозуға төтеп бере алатындай берік, бірақ жұмыс істеуге және оны тікелей далада ауыстыруға жеткілікті қарапайым. Соқаларды немесе астық силостарын жөндеуге қарамастан, бұл жаңғақтар пайдаланушылардың уақытын үнемдейді.

        Метрикалық алтыбұрышты фланецті гайка электроникада және робототехникада қолданылады. Фланец гайканы шамадан тыс қатайтпай жұқа панельде немесе схемада тұрақты ұстайды. Метрикалық өлшемдер дәл жабдық үшін маңызды болып табылатын нақты инженерлік сипаттамаларға сәйкес келеді. Хоббилер мен кәсіпқойлар оны дрондарда, 3D принтерлерде немесе діріл жаңғақтардың туралануын бұзуы мүмкін автоматтандырылған жүйелерде пайдаланады.



        Metric hex flange nut

        Біздің нарықты бөлу

        Нарық
        Табыс (өткен жыл)
        Жалпы табыс (%)
        Солтүстік америка
        Құпия
        15
        Оңтүстік америка
        Құпия
        10
        Шығыс Еуропа
        Құпия
        12
        Оңтүстік-Шығыс Азия
        Құпия
        10
        Таяу Шығыс
        Құпия
        7
        Шығыс Азия
        Құпия
        17
        Батыс Еуропа
        Құпия
        15
        Оңтүстік Азия
        Құпия
        6
        Ішкі нарық
        Құпия
        8

        Техникалық қызмет көрсету бойынша кеңестер

        Метрикалық алтыбұрышты фланец гайкасында тот немесе майысқан ернеулерді тексеріңіз. Егер жіптер тартылса немесе фланец жарылып кетсе, ауыстырыңыз. Тұзды орталар үшін тот баспайтын болатты таңдаңыз. Қоқыс жиналса, жіптерді сым щеткамен тазалаңыз. Пластмасса сияқты жұмсақ материалдарды қатты қатайтпаңыз. Фланецті бетіне тегіс басып, кілтпен қатайтыңыз. Фланец біркелкі емес жерлерде өздігінен тураланады. Жіптерді жұлып алмау үшін ауыр жүктер үшін бұрау кілтін пайдаланыңыз.


        Hot Tags: Метрикалық алтыбұрышты фланецті гайка, Қытай, өндіруші, жеткізуші, зауыт
        Қатысты санат
        Сұрау жіберу
        Сұрауыңызды төмендегі формада қалдырыңыз. Біз сізге 24 сағат ішінде жауап береміз.
        X
        Біз cookie файлдарын сізге жақсырақ шолу тәжірибесін ұсыну, сайт трафигін талдау және мазмұнды жекелендіру үшін пайдаланамыз. Осы сайтты пайдалану арқылы сіз cookie файлдарын пайдалануымызға келісесіз. Құпиялылық саясаты
        Қабылдамау Қабылдау