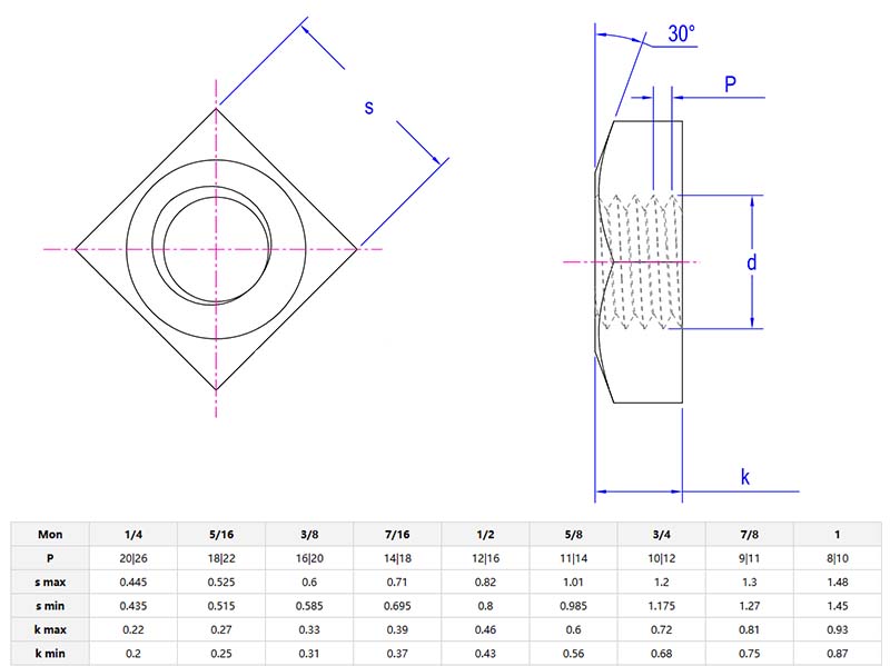
ТаДөрекі дайын шаршы НУtБұл негізгі, ешкімді бекер (ірі жіптері) және квадрат пішінді. Оның өрескел қабаты, көбінесе мырышпен қапталған немесе қара оксидпен қапталған, тот басады және қатаң жұмыс орындарын өңдейді.

Егер сіз болттарды қатал ортада пайдалану керек болса, онда сіз таңдай аласызДайын төрт квадрат жаңғақ. Оның шикі беті лас немесе майлы ортада жақсы ұстайды, қатайту кезінде тайғақ азаяды. Шаршы гайканы кілтпен немесе тақтайшамен бекітілуі мүмкін. Ол машиналарға, ауылшаруашылық техникаларына немесе құрылысына қолайлы. Қаныста жабық, жай болат, жоғары беріктігін оңай өңдеуге оңай.
Ескі жүк машиналарын немесе тракторларды жөндейтін механиктер жиі қолданадыДайын төрт квадрат жаңғақтот басқан немесе тотған болттар үшін. Дөрекі беті жылтыратылған жаңғақтарға қарағанда, жылтыратылған жіптерге жақсырақ бейім, ал квадрат пішіні ауыр моментке айналмайды. Шығару жүйелеріне, шасси жөндеуге немесе май мен грекқа ұшыраған кез келген нәрсе үшін тамаша. Жай ғана оны қысып, жұмысын жалғастырыңыз.
Фермерлер соқаларды немесе суармалы жабдықтарды жөндей отырып, олар жиі қолданадыДайын төрт квадрат жаңғақөйткені оны пайдалану оңай. Кесілген беті бітелудің алдын алу үшін кір мен кірді тиімді емдей алады. Шаршы жаңғақтарды тығыз кеңістіктерде бекітуге болады. Қолғаппен де оны тек негізгі құралдарды қолдана отырып оңай орнатуға болады. Күту уақытынсыз жылдам жөндеуге өте ыңғайлы.

| Базар |
Жалпы кіріс (%) |
| Солтүстік америка |
15 |
| Оңтүстік америка |
10 |
| Шығыс Еуропа |
12 |
| Оңтүстік-Шығыс Азия |
10 |
| Орта шығыс |
7 |
| Шығыс Азия |
17 |
| Батыс Еуропа |
15 |
| Оңтүстік Азия |
6 |
| Ішкі нарық |
8 |
Дайын төрт квадрат жаңғақтехникалық қызмет көрсету құны төмен. Пайдалану кезінде ағын тот баспайтынын немесе құлап кететінін тексеріңіз. Егер жабынды тозған болса, оны ауыстырыңыз. Егер гайка тұз ортасында болса, жіпке салыңыз. Шамадан тыс қыспаңыз. Қалың жіптер айыппұлдарға қарағанда оңайырақ түседі.