Үй > Өнімдер > Жаңғақ > Алтыбұрышты гайка > Жүйе HR Үлкен алтыбұрышты гайкалар
        Жүйе HR Үлкен алтыбұрышты гайкалар
        • Жүйе HR Үлкен алтыбұрышты гайкаларЖүйе HR Үлкен алтыбұрышты гайкалар
        • Жүйе HR Үлкен алтыбұрышты гайкаларЖүйе HR Үлкен алтыбұрышты гайкалар
        • Жүйе HR Үлкен алтыбұрышты гайкаларЖүйе HR Үлкен алтыбұрышты гайкалар

        Жүйе HR Үлкен алтыбұрышты гайкалар

        Жүйелік HR үлкен алтыбұрышты гайкалар алдын ала жүктелген жоғары берік болтты құрылымдық қосылым жұбының бөлігі болып табылады, HR типті үлкен алтыбұрышты бас болттармен бірге пайдаланылады және құрылыс индустриясында болат құрылымдарда жиі қолданылады. Xiaoguo® кәсіби өндірушілерінің өнімдері сынақтан өтті және сапа стандарттарына сәйкес келеді және бағасы қолжетімді.
        Үлгі:EN 14399-7-2007

        Сұрау жіберу

        Өнім Сипаттамасы

        Жүйе HR үлкен алтыбұрышты гайкаларүлкен өлшемді болттармен бірге пайдаланылады және әдетте үлкен күш пен тұрақтылықты қажет ететін жұмыстарда қолданылады. Олар көбінесе құрылыс индустриясында, мысалы, болат конструкциялы ғимараттарда, арқалықтар мен бағандарды біріктіру үшін қолданылады.

        Өнімнің мәліметтері мен параметрлері

        System HR large hexagon nuts

        HR жүйесінің үлкен алтыбұрышты гайкаларын орнату кезінде кейбір мәліметтерді ескеру қажет. Ең алдымен, гайка жіп өлшемі болтқа дәл сәйкес келетініне көз жеткізіңіз. Кез келген сәйкессіздік қауіпсіз қосылымға әкелуі мүмкін. Сәйкес гайканы тапқаннан кейін гайканы болтқа салыңыз. Содан кейін кілтті алыңыз. Гайканы қатайту үшін кілтті сағат тілімен бұраңыз. Бұл жаңғақтар жоғары беріктікке жарамды болғандықтан, оларды қатайту үшін айтарлықтай күш қолдану қажет.

        Құрылыс индустриясында үлкен алтыбұрышты гайкалар болат конструкциялы ғимараттарды салу үшін қолданылады. Жұмысшылар бұл жаңғақтарды арқалықтар мен бағандарды біріктіріп, ғимаратқа берік қаңқа салу үшін пайдаланды. Көпір құрылысында олар көпір құрылымын байланыстыруда, оның көлік құралдары мен табиғи күштердің салмағын көтере алуын қамтамасыз етуде өте маңызды. Олар ірі қоймалар мен өнеркәсіптік нысандарды салу үшін де қолданылады.

        Жүйе HR үлкен алтыбұрышты гайкалартау-кен жабдықтарында, жел турбиналарында немесе ауыр құрылыс жабдықтарында қолданылады. Олар көбінесе болат диірмендері немесе кеме жөндеу зауыттары сияқты жоғары кернеулі орталарда қолданылады және олардың үлкен алтыбұрышты пішіні өнеркәсіптік кілттерге жарамды. Фермерлер оларды тракторларда пайдаланады. Зауыттар трансмиссиялық жүйелерді орнату үшін оларға сүйенеді.

        System HR large hexagon nuts

        Өлшемді қарастыру

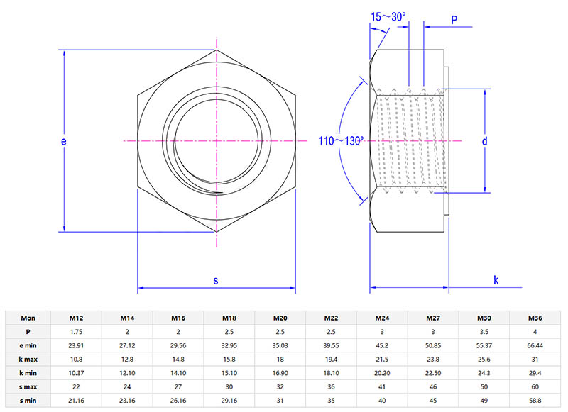
        Жүйе HR үлкен алтыбұрышты гайкаsәртүрлі өлшемдерде қол жетімді. Кішірек өлшемдерді (мысалы, M12 айналасында) әлі де берік қосылымды қажет ететін шағын құрылымдар үшін пайдалануға болады. Мысалы, жабдыққа немесе белгілі бір жеңіл өнеркәсіптік құрылғыларға арналған шағын металл жақтаулардың құрылысы. Үлкен өлшемдер (кейбір жағдайларда M36 дейін немесе одан да үлкен) ауқымды құрылыс жобалары үшін қолайлы. Ірі өнеркәсіптік зауыттарды немесе көп қабатты ғимараттарды салу кезінде бұл үлкен өлшемді жаңғақтар негізгі құрылымдық компоненттерді бекіту үшін қолданылады. Гайканы таңдамас бұрын болттың өлшемін дәл өлшеу өте маңызды.

        Hot Tags: Жүйе HR үлкен алтыбұрышты гайкалар, Қытай, өндіруші, жеткізуші, зауыт
        Қатысты санат
        Сұрау жіберу
        Сұрауыңызды төмендегі формада қалдырыңыз. Біз сізге 24 сағат ішінде жауап береміз.
        X
        Біз cookie файлдарын сізге жақсырақ шолу тәжірибесін ұсыну, сайт трафигін талдау және мазмұнды жекелендіру үшін пайдаланамыз. Осы сайтты пайдалану арқылы сіз cookie файлдарын пайдалануымызға келісесіз. Құпиялылық саясаты
        Қабылдамау Қабылдау