үшінболтты бекітетін құлыптау жағасы, қажетіне қарай материалдарды таңдай аласыз. Көміртекті болат (мысалы, SAE 1070/1095) қиын жұмыстар үшін күшті материал қажет болғанда қолданылады. Тот баспайтын болат (AISI 304/316) тот басуы немесе тот басуы мүмкін жерлерде жақсы жұмыс істейді. Титан қорытпалары аэроғарыштық заттар үшін жақсы, олар жеңіл, бірақ күшті қажет. Сондай-ақ, өте ыстық немесе өте суық жағдайларға арналған Inconel® сияқты арнайы заттар бар.
Олар әр материалдың беріктігіне көз жеткізу үшін мұқият сынақтан өткізеді — оның қаншалықты үзілмей созылуын (1500 МПа дейін) және уақыт өте келе қаншалықты тозуы мүмкін екенін тексереді. Материалдардың әртүрлілігі бұл ұстағыш сақинаның өте суық жерлерден бастап, жоғары жылу зауыттарына дейін әртүрлі орталарда жұмыс істей алатындығын білдіреді.
қамқорлық жасауболтты бекітетін құлыптау жағасыбұрандалардың тығыздығын, бетінің тозуын немесе тот басуын жүйелі түрде тексеруді білдіреді. Техникалық қызмет көрсету кезінде болттарды өндіруші ұсынған моментке (әдетте 20-50 Нм) қатайтыңыз. Қоқыстарды сүрту үшін жұмсақ тазартқыштарды пайдаланыңыз және кейінірек ажыратуды жеңілдету үшін жіптерге ұстамауға қарсы май жағыңыз. Егер сіз жарықтар немесе сақина пішіні бұзылғанын көрсеңіз, оны ауыстырыңыз. Сақиналарды орнатпас бұрын зақымданбау үшін оларды бақыланатын температурасы бар құрғақ жерде сақтаңыз. Бұл тәртіпті сақтау олардың жақсы жұмыс істеуіне көмектеседі және оларды 30%-ға дейін ұзартады.

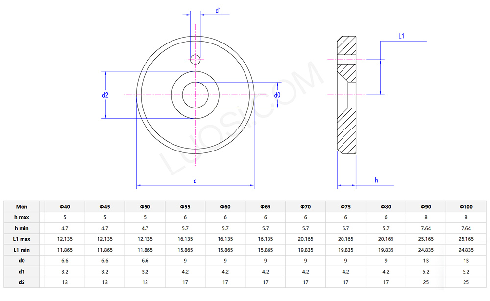
С: a-ның дұрыс өлшемін қалай анықтауға боладыболтты бекітетін құлыптау жағасыменің білігімнің диаметрі үшін?
A: Дұрыс таңдауболтты бекітетін құлыптау жағасыбіліктің қалыңдығына (OD) және жіп түріне байланысты. Біліктің қалыңдығын өлшеуден бастаңыз және оны өндірушінің өлшем нұсқаулығымен салыстырыңыз. Назар аударатын негізгі нәрселер: жағаның ішкі өлшемі біліктің жіптеріне, болт өлшеміне және жағаның қаншалықты қалың екеніне сәйкес келуі керек. Егер білігіңіз бұрандалы болмаса, алдымен жіптерді қосуыңыз керек. Әрқашан жіптердің метрикалық немесе империялық екенін екі рет тексеріңіз - оларды араластыру бас ауруын тудырады. Тақ өлшемді біліктер үшін арнайы жағалар бар, бірақ олар қосымша уақыт пен ақшаны талап етеді.
Біздің болтпен бекітілген құлыптау алқалары негізінен көміртекті болаттан жасалған. Біз бұл материалды таңдаймыз, өйткені оның беріктігі мен тозуға төзімділігі жақсы, ол өнімнің негізгі пайдалану қажеттіліктерін қанағаттандыра алады.
Өнімдер зауыттан шығар алдында олардың беттерін тотқа қарсы қабатпен қаптаймыз. Бұл өңдеу жағаларды ылғалды ортада қолданғанда немесе ұзақ уақыт сақтаған кезде тот басудан сақтайды.
Бізде тот баспайтын болат сияқты қосымша материалдар бар, олар коррозияға төзімділігі жоғарырақ қажет етеді. Өнімнің материалының қалыңдығы стандартты жүк көтергіштік талаптарына негізделген, сондықтан ол қалыпты пайдалану кезінде деформацияланбайды немесе бұзылмайды.
Болт бөлігі жаға сияқты материалдан жасалған, сондықтан бүкіл өнім тұрақты өнімділікке және тұрақтылыққа ие.
Біздің болтпен бекітілген құлыптау мойынтіректерінің жеткізу құны сіз оларды қайда жіберіп жатқаныңызға, қай жеткізу әдісін таңдағаныңызға және қанша тапсырыс бергеніңізге байланысты.
Егер стандартты логистикамен жүрсеңіз, құны төменірек болады, бірақ жеткізу сәл ұзағырақ уақыт алады — әдетте 3-7 жұмыс күні. Жедел тапсырыстар үшін жедел жеткізуді таңдауға болады, бірақ бұл қымбатырақ болады. Нақты қосымша ақы жөнелтімнің қаншалықты алысқа бару керектігіне байланысты.
Тапсырысыңыз белгілі бір мөлшерге жеткенде, біз сізге жеткізу құнын төлейміз. Әрбір өнім шағын және жеңіл, сондықтан тіпті шағын топтамалық тапсырыстарда өте жоғары жеткізу ақысы болмайды.
Біз бір нәрсені жөнелтпес бұрын, тасымалдау кезінде зақымдануды болдырмау үшін жағаларды дұрыс орап аламыз. Және бұл орау құны жеткізу ақысына қазірдің өзінде қосылған — ол үшін қосымша ақы төлеудің қажеті жоқ.
Егер сіз нақты жеткізу құнын білгіңіз келсе, біздің тұтынушыларға қызмет көрсету тобынан сұраңыз. Олар оны нақты тапсырыс мәліметтері негізінде есептейді.
С: Болтты бекітетін құлыптау жағасының MOQ және жеткізу уақыты қандай және сіз жаппай тапсырыс бойынша жеңілдіктер ұсынасыз ба?
A: Болтпен бекітілген стандартты құлыптау жағасы үшін ең аз тапсырыс саны (MOQ) 300 дана, тұрақты тапсырыстар үшін 7–10 жұмыс күнін құрайды. 5000 данадан асатын жаппай тапсырыстар үшін сатып алу шығындарын азайту үшін деңгейлік жеңілдіктер (3%-10% жеңілдік) ұсынамыз. Болтпен бекітетін теңшелген құлыптау жағасының MOQ 500 дана және 12–18 жұмыс күні, соның ішінде үлгіні тексеру және өндіру кестесі бар.