Үй > Өнімдер > Жаңғақ > Алтыбұрышты гайка > Дюймдік алтыбұрышты қалың гайкалар, кір жуғыш машинасы бар
        Дюймдік алтыбұрышты қалың гайкалар, кір жуғыш машинасы бар
        • Дюймдік алтыбұрышты қалың гайкалар, кір жуғыш машинасы барДюймдік алтыбұрышты қалың гайкалар, кір жуғыш машинасы бар
        • Дюймдік алтыбұрышты қалың гайкалар, кір жуғыш машинасы барДюймдік алтыбұрышты қалың гайкалар, кір жуғыш машинасы бар
        • Дюймдік алтыбұрышты қалың гайкалар, кір жуғыш машинасы барДюймдік алтыбұрышты қалың гайкалар, кір жуғыш машинасы бар

        Дюймдік алтыбұрышты қалың гайкалар, кір жуғыш машинасы бар

        Жуандығы бар дюймдік алтыбұрышты гайкалар беріктік пен бетті қорғауды қажет ететін кез келген бекіту жұмыстарына жарайды. Xiaoguo ® өнімдерді анық түсінуге көмектесетін нақты өнім туралы ақпаратты береді.
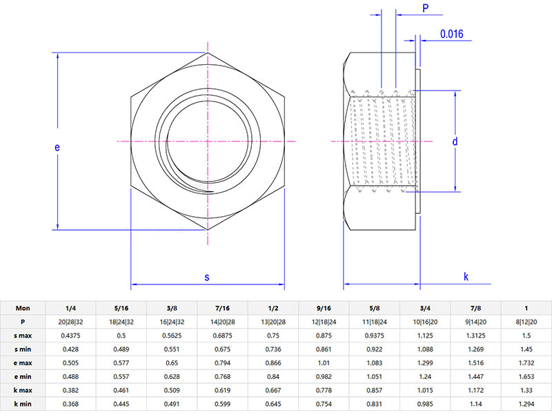
        Үлгі:SAE J482-1998

        Сұрау жіберу

        Өнім Сипаттамасы

        Төменгі жағыДюймдік алтыбұрышты қалың жаңғақтар, шайбамен қапталғантегістелген және кеңейтілген («шайба беті») және оның қызметі ішкі шайбаға ұқсас. Олар стандартты жаңғақтарға қарағанда қалың, ауыр жүктемелерге төтеп бере алады, ал шайба беті қысымды біркелкі тарата алады.

        Өнімнің мәліметтері мен параметрлері

        Inch Hexagon Thick Nuts With Washer Faced


        Тот баспайтын болаттан (304/316) жасалған шайбасы бар дюймдік алтыбұрышты қалың гайкалардың беті көміртекті болаттан гөрі тотқа төзімдірек. Жоғары температуралы орталар (шығару жүйелері) үшін легирленген болат гайкалар (ASTM A194) деформациясыз кеңеюге төтеп бере алады. Қышқыл ортада мырышталған жабындарды пайдаланбаңыз, себебі олар қабыршақтанып кетеді. Ұстап қалмас үшін жіптерге, әсіресе жоғары температура жағдайында, ұстамаға қарсы агент жағыңыз.

        TheДюймдік алтыбұрышты қалың жаңғақтар, шайбамен қапталғандіріл әсерінен қопсытуды болдырмайтын қозғалтқыштар, ауылшаруашылық жабдықтары немесе құрылыс жабдықтары сияқты жоғары дірілді құрылғыларда қолданылады. Олар сондай-ақ стандартты жаңғақтардың қисаюы мүмкін тот басқан немесе біркелкі емес буындар үшін өте қолайлы. Фермерлер оларды егістіктерді жыртқанда, механиктер жүк көліктерінің суспензияларында қолданады, сонымен қатар зауыттардағы конвейерлерде де қолданылады.

        Жуандығы бар дюймдік алтыбұрышты гайкалар бір уақытта екі мәселені шеше алады: ұстау және қорғаныс. Алтыбұрышты пішін кілтті кез келген бұрыштан пайдалануды ыңғайлы етеді, ал тегіс пішіні гайка бетінің зақымдалуын болдырмайды. Өлшем диапазоны ½ дюймден 2 дюймге дейін қол жетімді. Бұл жаңғақтар кәдімгі жаңғақтардан сәл қымбатырақ, бірақ олар кейінірек техникалық қызмет көрсету құнын үнемдей алады.


        Inch Hexagon Thick Nuts With Washer Faced

        Кәдімгі қалың жаңғақтардың орнына неліктен жуғышты таңдау керек?

        TheДюймдік алтыбұрышты қалың жаңғақтар, шайбамен қапталғанкүшті тарататын және сызаттардың алдын алатын тұрақты түбін қабылдайды. Дегенмен, стандартты қалың жаңғақтар жұмсақ материалға зақым келтіретін жүктеме астында бетке ендірілген болады. Оларды орнату жылдамдығы да жылдамырақ және сәйкес тығыздағыштарды іздеудің қажеті жоқ. Жоғары дірілдейтін қолданбаларда қарапайым жаңғақтарға қарағанда, шайбаға арналған гайкалар қопсытудың алдын алуда тиімдірек. Кәдімгі қалың жаңғақтарды маңызды емес жұмыс сценарийлерінде қолдануға болады.

        Hot Tags: Жуғыш машинасы бар дюймдік алтыбұрышты қалың жаңғақтар, Қытай, өндіруші, жеткізуші, зауыт
        Қатысты санат
        Сұрау жіберу
        Сұрауыңызды төмендегі формада қалдырыңыз. Біз сізге 24 сағат ішінде жауап береміз.
        X
        Біз cookie файлдарын сізге жақсырақ шолу тәжірибесін ұсыну, сайт трафигін талдау және мазмұнды жекелендіру үшін пайдаланамыз. Осы сайтты пайдалану арқылы сіз cookie файлдарын пайдалануымызға келісесіз. Құпиялылық саясаты
        Қабылдамау Қабылдау