Үй > Өнімдер > Болт > Дөңгелек басты болт > Көзді көтеретін болт
        Көзді көтеретін болт
        • Көзді көтеретін болтКөзді көтеретін болт
        • Көзді көтеретін болтКөзді көтеретін болт
        • Көзді көтеретін болтКөзді көтеретін болт

        Көзді көтеретін болт

        XIAOGUO® кең каталогында өте төзімділікке арналған болттар, гайкалар, бұрандалар және шайбалар бар. Көтергіш көз болттары әртүрлі түрлерде, соның ішінде иық, иық емес және айналмалы нұсқаларда қол жетімді, олардың әрқайсысы белгілі бір бағыттаушы күштерге сай келеді.
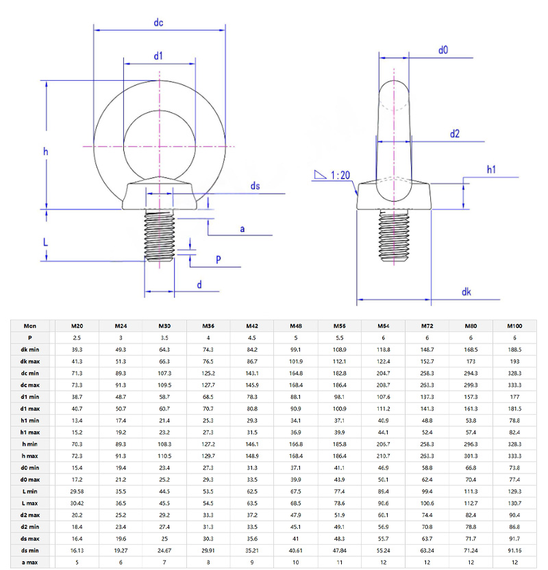
        Үлгі:GB/T 885-1986

        Сұрау жіберу

        Өнім Сипаттамасы

        Көзді көтеретін болтмашиналарды көтеру, жүкті байлау және құрылымдарды орнында ұстау үшін өте маңызды. Құрылыста олар HVAC жүйелерін немесе болат арқалықтарды ілу үшін қолданылады. Теңіз жұмыстарында ол желкендерді орнатуға немесе қайықтар үшін арқандап тұру жабдығын бекітуге көмектеседі. Театр сахналарында олар жарықтандыру қондырғыларын ілу үшін пайдаланылады, ал автокөлік жөндеу шеберханаларында жөндеу кезінде қозғалтқыштарды орнында ұстайды.


        Олар тек өнеркәсіптік заттарға арналған емес - сіз оларды үйде әткеншек немесе ұқсас нәрсені ілу үшін де пайдалана аласыз. Олар шағын тұрғын үй жұмыстарынан бастап үлкен құрылыс жобаларына дейін жұмыс істейді. Сіз қолданатын көз болттары сізге қажет салмақты көтере алатынына көз жеткізіңіз. Жүктеме сипаттамаларын тексеру, оларды не үшін пайдалансаңыз да, оларды қауіпсіз және дұрыс жұмыс істеудің кілті болып табылады.

        Lifting Eye Bolt

        Өнім туралы мәліметтер:

        Орнатукөзді көтеру бұрандасыдұрыс олардың қалай жұмыс істейтіні үшін өте маңызды. Иық тәрізділерді алдымен бұрғылаған тесіктерге толығымен салу керек. Егер жүк түзу болмаса (бұрыштағы сияқты), оның орнына айналмалы көз нұсқаларын пайдаланыңыз. Оларға номиналды шектен артық салмақ салмаңыз және жіптер зақымдалған болса, оларды қолданбаңыз. Жүктеменің ортада орналасқанына көз жеткізіңіз, сонда сіз оларға жан-жақты күш түсірмеуіңіз керек. Күшті тарату үшін шайбаларды немесе жағаларды пайдаланыңыз. Жоғары көтеру үшін олармен бірге сертификатталған такелажды пайдаланыңыз.

        Өнімнің параметрлері

        Lifting Eye Bolts

        Жиі қойылатын сұрақтар

        С: Жалғанды ​​қалай таңдауға болады?көзді көтеру бұрандасыжәне дәнекерленген көзді болт?

        Ж: Соғылғандардың беріктігі жоғары және ауыр заттарды көтеру жұмыстарына қолайлы. Өйткені соғу процесі металл талшықтарды ұқыпты түрде біріктіріп, оларды берік және берік етеді. Жалған түрдің бағасы дәнекерленген түрге қарағанда жоғары. Дәнекерленген түрі (сақина немесе тығыздағыш түрі сияқты) төмен бағаға ие және критикалық емес статикалық жүктемелерге жарамды. Дегенмен, оның дәнекерленген тігісі әлсіз нүктеге айналуы мүмкін, сондықтан ол ауыр жүктерді көтере алмайды және әлсіз жүк көтергіштігі бар. Ауыр заттарды көтеру қажет болған жағдайда сенімді сертификаты бар (мысалы, ISO 9001) жалған сақиналы болттарды таңдау керек. Дәнекерленген болттарды қалыпты жағдайларда кенеттен немесе қозғалатын күштерсіз бекіту немесе бекіту үшін пайдалануға болады. Салмаққа қойылатын талаптарға сенімді болмасаңыз, біздің командамен кеңесіңіз - біз сізге қате таңдау жасамауыңызға көмектесеміз.


        Hot Tags: Лифтинг көзді болт, Қытай, өндіруші, жеткізуші, зауыт
        Қатысты санат
        Сұрау жіберу
        Сұрауыңызды төмендегі формада қалдырыңыз. Біз сізге 24 сағат ішінде жауап береміз.
        X
        Біз cookie файлдарын сізге жақсырақ шолу тәжірибесін ұсыну, сайт трафигін талдау және мазмұнды жекелендіру үшін пайдаланамыз. Осы сайтты пайдалану арқылы сіз cookie файлдарын пайдалануымызға келісесіз. Құпиялылық саясаты
        Қабылдамау Қабылдау