Көз Болт
        • Көз БолтКөз Болт
        • Көз БолтКөз Болт
        • Көз БолтКөз Болт

        Көз Болт

        Xiaoguo® шығарған көз болттары механикалық бекіткіштің бір түрі болып табылады. Олардың бастары дөңгелек пішінді, ал өзек бөліктерінде жіптер бар. Олар көтеру, такелаждық операциялар немесе жүктерді бекіту үшін тұрақты бекіту нүктелерін қамтамасыз ету үшін қолданылады. Біз жұмыс қауіпсіздігін қамтамасыз ету үшін болттардың тозуын, коррозиясын немесе деформациясын үнемі тексеріп отырамыз.
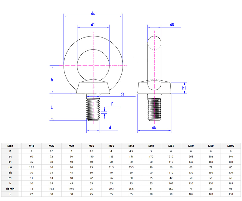
        Үлгі:GB/T 885-1986

        Сұрау жіберу

        Өнім Сипаттамасы

        Тот басуға және тозуға,көз бұрандасы арнайы жабындарды немесе өңдеулерді алыңыз. Көміртекті болаттар жиі ыстық мырышпен өңделеді - олар сыртқы немесе ылғалды орта үшін тамаша жұмыс істейтін қорғаныс қабатын қосу үшін ыстық мырышқа батырылады. Электрлік қаптау жұқа қорғаныш қабатын құрайды, бұл әдетте үй ішінде пайдалану үшін жеткілікті. Тот баспайтын болаттың тамаша тоттануға қарсы қасиеттері бар. Дегенмен, оның тотқа төзімділігін одан әрі арттыру үшін қосымша өңдеу қадамдары да жүзеге асырылады. Ұнтақ жабыны тартымды көріністі қамтамасыз етіп қана қоймай, сонымен қатар күн сәулесінің әсерінен қорғайтын қорғаныс қабаты ретінде әрекет етеді. Бұл емдеу әдістері оларды ұзақ уақыт бойы қолдануға және қатал жағдайларда да берік болуына көмектеседі.

        Өнім туралы мәліметтер:

        Көз болткүш, икемділік және қауіпсіздіктің шын мәнінде берік қоспасын ұсынады. Олардың дизайны тікелей көтеруге немесе бұрыштық жүктемелерге арналған және әртүрлі материалдармен және жабындармен олар барлық жағдайларға сәйкес келеді. Шағын DIY жобасын немесе үлкен өнеркәсіптік жұмысты орындасаңыз да, олар заттарды бекіту үшін сенімді. Сертификаттар олардың сапалы екенін білдіреді, ал өлшемдердің әртүрлі болуы сізге қажет нәрсені артық шығынсыз алуға болатындығын білдіреді. Олар жақсы жасалған және пайдаланушылардың қауіпсіздігін сақтауға бағытталғандықтан, болттар барлық жерде кәсіпқойлар үшін ең жақсы таңдау болып табылады - олар пайдалы және ұзақ қызмет етуді өте жақсы теңестіреді.


        Өнімнің параметрлері

        Жиі қойылатын сұрақтар

        С: Өзіңізді жасаңызкөз бұрандаларыхалықаралық қауіпсіздік сертификаттарына сәйкес келеді ме?

        Ж: Иә, біздің өнім CE, OSHA және ISO 17025 стандарттарына сәйкес келеді және егер сіз сұрасаңыз, біз сынақ сертификаттарын ұсына аламыз. Біз сапаны мұқият тексереміз, соның ішінде жүктеме сынағы, материалдың құрамын тексеру және өлшемдердің дұрыстығына көз жеткізу. Біз реттелетін белгілерді қосамыз (мысалы, WLL және пакеттік нөмірлер), оларды оңай қадағалай аласыз.


        ЕО нарығы үшін біздіңкөз бұрандалары2006/42/EC машиналар директивасы бойынша ережелерге сәйкес келеді және бізде қоршаған ортаны қорғау ережелері бар жобалар үшін RoHS-үйлесімді жабындар бар. Аудиттерге дайын және аймағыңыздағы сәйкестік талаптарын қанағаттандыратын сертификатталған болттар үшін бізбен бірге жұмыс істеңіз.


        Hot Tags: Eye Bolt, Қытай, өндіруші, жеткізуші, зауыт
        Қатысты санат
        Сұрау жіберу
        Сұрауыңызды төмендегі формада қалдырыңыз. Біз сізге 24 сағат ішінде жауап береміз.
        X
        Біз cookie файлдарын сізге жақсырақ шолу тәжірибесін ұсыну, сайт трафигін талдау және мазмұнды жекелендіру үшін пайдаланамыз. Осы сайтты пайдалану арқылы сіз cookie файлдарын пайдалануымызға келісесіз. Құпиялылық саясаты
        Қабылдамау Қабылдау