Үй > Өнімдер > Болт > Шаршы басты болт > Тостағанның басының бұрандалары
        Тостағанның басының бұрандалары
        • Тостағанның басының бұрандаларыТостағанның басының бұрандалары
        • Тостағанның басының бұрандаларыТостағанның басының бұрандалары

        Тостағанның басының бұрандалары

        Xiaoguo® компаниясы шығарған шыныаяқ басының бұрандалары ағаш немесе пластик сияқты жұмсақ материалдарды мықтап қыса алады. Тостаған тәрізді басы үлкенірек қатайтатын бет аймағын қамтамасыз етеді, ал төменгі жағындағы сүйір ұшы жұмыс кезінде сырғып кетуіне немесе айналуына жол бермеу үшін болтқа терең еніп кетуі мүмкін.
        Үлгі:DIN 607-1981

        Сұрау жіберу

        Өнім Сипаттамасы

        басшысышыныаяқ басының ұшы болттарыкішкентай кесе тәрізді, домалақ және дөңес. Оның астында өткір тенонға жалғанған, бұрандалы бөлігінде жіптер бар. Бұл дизайн өте ерекше. Заттарды жөндеу кезінде оның бірегей артықшылықтары бар және оны көптеген жерлерде қолдануға болады.



        Өнімнің мәліметтері мен параметрлері

        Шыныаяқ басының бұрандаларымектептегі қолөнер сабақтарында ағаштан үлгілер жасауға болады. Мектептегі қолөнер сабақтарында ағаштан шағын үйлер мен шағын қайықтардың үлгілерін жасағанда бөлшектерді бекітуге болады. Оны пайдалану оңай, бұл студенттерге оны тез меңгеруге мүмкіндік береді. Сонымен қатар, ол модель құрылымын берік ете алады, студенттерге өз жұмыстарын көрсетуді жеңілдетеді және модельді ұзақ уақыт сақтауға ыңғайлы етеді.

        DIY әуесқойлары пайдаланадышыныаяқ басының ұшы болттарыдренаждық арықтарды немесе су төгетін ағындарды жөндеу кезінде. Болттарды алюминийден немесе болаттан бұрғылау тесіктері жоқ құлыптауға болады, ал шыныаяқ басының болттары тығыздағыштың астына жасырылады. Тұрақты болттарды қаласаңыз, баспайтын болаттан жасалған материалды таңдауға болады. Бораннан кейін үйде тот қалмайды.

        Фермерлер болттарды астық қоймаларын немесе суару құбырларын жөндеу кезінде пайдаланады. Болттар тот басқан бетті мықтап ұстап, сарайдың ылғалдылығына тиімді қарсы тұра алады. Төмен болт бастары шөпті немесе құралдарды ұстамайды, бекіткіштердің ажыратылуына байланысты машинаны тоқтатудың қажеті жоқ.


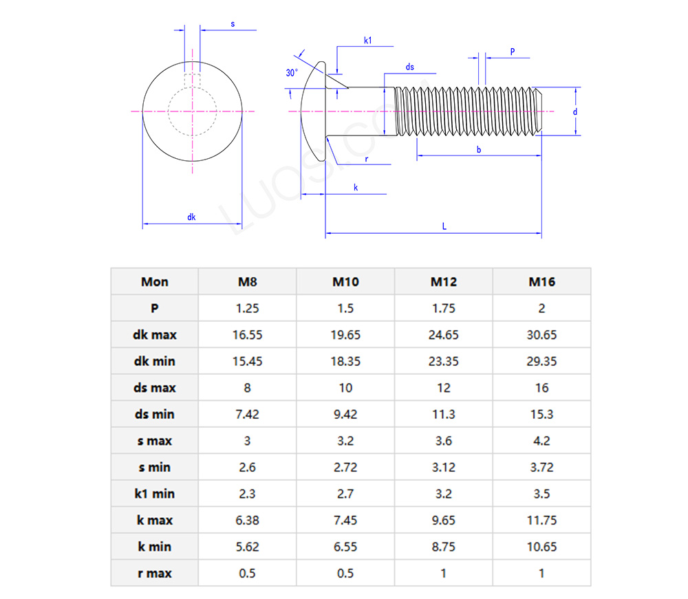
        Cup head nib bolts parameters

        Өнімді сату нүктесі

        Theшыныаяқ басының ұшы болттарымықтап бекітіліп қана қоймайды және тез орнатылады, бірақ шыныаяқ басының пішіні контакт аймағын кеңейте алады, қатайту кезінде қысымды таратады және қосылымды берік етеді және оны босату оңай емес; Бұранданың бұралған кезде кездейсоқ айналуына жол бермеу үшін сүйір шұңқырды материалға оңай салуға болады, сонымен қатар оны орнату ыңғайлы.


        Өнім материалы

        Біз шыныаяқ басының бұрандаларын бірнеше негізгі материалдардан, негізінен көміртекті болаттан, легирленген болаттан және тот баспайтын болаттан жасаймыз. Дұрыс таңдау олардың қайда қолданылатынына байланысты.


        Тұрақты, күнделікті жұмыстар үшін, мысалы, төмен және орташа жүктеме кезінде ішкі жабдықты бекіту - 1010 немесе 1018 сияқты көміртекті болат түрлері жақсы жұмыс істейді. Олар бюджетке ыңғайлы, бірақ әдетте тоттың алдын алу үшін мырыштау сияқты жабын қажет.


        Егер сізге көбірек күш қажет болса, мысалы, ауыр машиналар немесе автомобиль шассилерінің қосылымдары үшін - біз 35CrMo сияқты легирленген болаттарды қолданамыз. Олар беріктігі мен қаттылығын жақсарту үшін термиялық өңдеуден өтеді.


        Тот басатын жерлер үшін тот баспайтын болат - бұл баратын жол. 304-сынып үй құрылғылары сияқты құрғақ үй-жайларға арналған. Егер сіз ашық ауада, тұзды судың жанында немесе химиялық заттармен жұмыс істеп жатсаңыз, 316-сынып жақсы таңдау болып табылады, өйткені ол коррозияға жақсы қарсы тұрады.


        Сіз таңдаған материал шынымен сіздің жұмыс жағдайыңызға байланысты - ол қаншалықты ылғалды, болт қанша салмақ көтереді және қандай коррозия қаупі бар.


        Өнімді тасымалдау шығындары

        Шыныаяқ басындағы бұрандалардың жеткізу құны бірнеше нәрсеге байланысты: олардың қаншалықты ауыр екеніне, қаншалықты орын алатынына, қаншалықты алыс жүретініне және оларды қалай жеткізгіңіз келетініне байланысты.


        Кішігірім тапсырыстар үшін (20 кг-нан төмен) біз оларды әдетте курьер арқылы жібереміз. Жеткізу бағасы бастапқы салмақ пен әрбір қосымша килограмм үшін қосымша есептеледі. Ел ішінде базалық төлем шамамен 1,5 доллардан 3 долларға дейін, ал әрбір қосымша килограмм шамамен 0,3 доллардан 1,2 долларға дейін тұрады.


        Үлкен тапсырыстар үшін (20 кг-нан астам) жүк тасымалдау немесе LTL (жүктен аз) жиі арзанырақ. Құны пакеттің нақты салмағына немесе өлшеміне (қайсысы жоғары болса) негізделеді. Өлшем салмағын табу үшін ұзындығын, енін және биіктігін сантиметрмен көбейтіңіз, содан кейін 6000-ға бөліңіз.


        Мысалы, 1 тоннаны ел ішінде ұзақ қашықтыққа жөнелту әдетте 60-90 доллар аралығында болады. Неғұрлым көп жөнелтсеңіз, бірлік құны соғұрлым төмен болады.


        Халықаралық тапсырыстар үшін порт алымдары мен кеден сияқты нәрселер ойнайды. Теңізде жүк тасымалдау баяуырақ, бірақ арзанырақ, ал әуе тасымалы жылдамырақ, бірақ қымбатырақ.


        Егер сізге есіктен есікке дейін жеткізу немесе жедел жеткізу қажет болса, бұл негізгі бағаға 20% - 50% қосуы мүмкін.


        Кейіннен күтпеген жағдайларды болдырмау үшін жөнелтпес бұрын жеткізу провайдеріңізден толық құнын тексергеніңіз жөн.



        Өнім материалы

        Біз шыныаяқ басының бұрандаларын бірнеше негізгі материалдардан, негізінен көміртекті болаттан, легирленген болаттан және тот баспайтын болаттан жасаймыз. Дұрыс таңдау олардың қайда қолданылатынына байланысты.


        Тұрақты, күнделікті жұмыстар үшін, мысалы, төмен және орташа жүктеме кезінде ішкі жабдықты бекіту - 1010 немесе 1018 сияқты көміртекті болат түрлері жақсы жұмыс істейді. Олар бюджетке ыңғайлы, бірақ әдетте тоттың алдын алу үшін мырыштау сияқты жабын қажет.


        Егер сізге көбірек күш қажет болса, мысалы, ауыр машиналар немесе автомобиль шассилерінің қосылымдары үшін - біз 35CrMo сияқты легирленген болаттарды қолданамыз. Олар беріктігі мен қаттылығын жақсарту үшін термиялық өңдеуден өтеді.


        Тот басатын жерлер үшін тот баспайтын болат - бұл баратын жол. 304-сынып үй құрылғылары сияқты құрғақ үй-жайларға арналған. Егер сіз ашық ауада, тұзды судың жанында немесе химиялық заттармен жұмыс істеп жатсаңыз, 316-сынып жақсы таңдау болып табылады, өйткені ол коррозияға жақсы қарсы тұрады.


        Сіз таңдаған материал шынымен сіздің жұмыс жағдайыңызға байланысты - ол қаншалықты ылғалды, болт қанша салмақ көтереді және қандай коррозия қаупі бар.


        Өнімді тасымалдау шығындары

        Шыныаяқ басындағы бұрандалардың жеткізу құны бірнеше нәрсеге байланысты: олардың қаншалықты ауыр екеніне, қаншалықты орын алатынына, қаншалықты алыс жүретініне және оларды қалай жеткізгіңіз келетініне байланысты.


        Кішігірім тапсырыстар үшін (20 кг-нан төмен) біз оларды әдетте курьер арқылы жібереміз. Жеткізу бағасы бастапқы салмақ пен әрбір қосымша килограмм үшін қосымша есептеледі. Ел ішінде базалық төлем шамамен 1,5 доллардан 3 долларға дейін, ал әрбір қосымша килограмм шамамен 0,3 доллардан 1,2 долларға дейін тұрады.


        Үлкен тапсырыстар үшін (20 кг-нан астам) жүк тасымалдау немесе LTL (жүктен аз) жиі арзанырақ. Құны пакеттің нақты салмағына немесе өлшеміне (қайсысы жоғары болса) негізделеді. Өлшем салмағын табу үшін ұзындығын, енін және биіктігін сантиметрмен көбейтіңіз, содан кейін 6000-ға бөліңіз.


        Мысалы, 1 тоннаны ел ішінде ұзақ қашықтыққа жөнелту әдетте 60-90 доллар аралығында болады. Неғұрлым көп жөнелтсеңіз, бірлік құны соғұрлым төмен болады.


        Халықаралық тапсырыстар үшін порт алымдары мен кеден сияқты нәрселер ойнайды. Теңізде жүк тасымалдау баяуырақ, бірақ арзанырақ, ал әуе тасымалы жылдамырақ, бірақ қымбатырақ.


        Егер сізге есіктен есікке дейін жеткізу немесе жедел жеткізу қажет болса, бұл негізгі бағаға 20% - 50% қосуы мүмкін.


        Кейіннен күтпеген жағдайларды болдырмау үшін жөнелтпес бұрын жеткізу провайдеріңізден толық құнын тексергеніңіз жөн.





        Hot Tags: Шыныаяқ басының шұңқырлы болттары, Қытай, өндіруші, жеткізуші, зауыт
        Қатысты санат
        Сұрау жіберу
        Сұрауыңызды төмендегі формада қалдырыңыз. Біз сізге 24 сағат ішінде жауап береміз.
        X
        Біз cookie файлдарын сізге жақсырақ шолу тәжірибесін ұсыну, сайт трафигін талдау және мазмұнды жекелендіру үшін пайдаланамыз. Осы сайтты пайдалану арқылы сіз cookie файлдарын пайдалануымызға келісесіз. Құпиялылық саясаты
        Қабылдамау Қабылдау