Үй > Өнімдер > Жаңғақ > Гайканы қолмен бұраңыз > Жағалы гайкалы дөңгелек тұтқалар
      Жағалы гайкалы дөңгелек тұтқалар
      • Жағалы гайкалы дөңгелек тұтқаларЖағалы гайкалы дөңгелек тұтқалар
      • Жағалы гайкалы дөңгелек тұтқаларЖағалы гайкалы дөңгелек тұтқалар

      Жағалы гайкалы дөңгелек тұтқалар

      Дәл сызықты қозғалыс үшін XIAO GUO компаниясының жағалы гайкалы дөңгелек тұтқаларын таңдаңыз. Шарлы бұрандаларға арналған, ол біркелкі, жоғары тиімді қозғалысты қамтамасыз етеді, бұл бізді CNC және автоматтандыру жүйелеріне арналған жағалы гайкалары бар Қытайдағы сенімді дөңгелек тұтқаларды жеткізуші етеді.

      Сұрау жіберу

      Өнім Сипаттамасы

      Алдымен, қаңылтыр гайкасының өлшемімен дөңгелек тұтқаларға сәйкес келетін қаңылтырдағы тесікті бұрғылаңыз. Тесікті тым үлкен етпеңіз, әйтпесе ол дұрыс жабылмайды. Шұңқырда қалған металл жоңқаларын тазалаңыз; олар орнатуға кедергі келтіруі мүмкін.

      Содан кейін гайканы алдын ала бұрғыланған тесікке салыңыз, оның параққа тегіс орналасқанына көз жеткізіңіз. Гайканың үстіңгі жағына сәйкес келетін қалыпты пресс құралын пайдаланыңыз. Құралға біркелкі, біркелкі қысым жасаңыз - ол орнында бекітілген кезде аздап «сырт» еткенін сезінесіз. Оның қауіпсіз екеніне көз жеткізу үшін қысымды 1-2 секунд ұстаңыз.

      Балғамен соққыларды қолданбаңыз; бұл гайканы майыстыруы немесе қаңылтырды зақымдауы мүмкін. Ол жұқа және орташа қаңылтыр металдарда (қалыңдығы 0,5-2 мм) жақсы жұмыс істейді. Орнатқаннан кейін болтты гайканы айналдырмай тегіс бұрап алуға болады. Жағасы бар дөңгелек тұтқалар тіпті жаңадан бастағандар үшін де оңай, күрделі дағдылар қажет емес.

      Өнімді орау

      Біз жаңғақтарды қауіпсіз сақтау үшін қарапайым, практикалық қаптаманы қолданамыз. Кішігірім тапсырыстар немесе үлгілер үшін олар мөлдір пластик пакеттерге оралады - әдетте бір пакетке 100 немесе 200 дана. Әрбір сөмкеде өлшемі, материалы және партия нөмірі бар негізгі жапсырма бар, сондықтан сізге қажет нәрсені оңай таба аласыз.

      Жаппай тапсырыстар қатты қораптарға түседі. Жаңғақ өлшеміне байланысты әр қорапта 5000-нан 10000 дана болады. Тасымалдау кезінде олардың сызылып кетпеуі немесе қозғалмауы үшін ішіне көбік немесе көпіршікті орама саламыз. Картондарда «құрғақ ұстау» немесе «ауыр заттарды жинамау» сияқты өңдеуге арналған анық белгілер бар.

      Егер сізге арнайы қаптама қажет болса, мысалы, сөмкелердегі логотип немесе бір қаптамадағы белгілі бір мөлшер — тапсырыс берген кезде бізге хабарлаңыз. Қосымша сәнді заттар жоқ, тек сақтау және тасымалдау үшін жұмыс істейтін нәрсе. Ол көптеген шағын шеберханаларға, үлкен зауыттарға немесе DIY пайдаланушыларының қажеттіліктеріне сәйкес келетін осы стандартты опцияларда келеді.

      Round Knobs With Collar Rolling Nut

      Сұрақ-жауап сессиясы

      Жағалы гайкалы дөңгелек тұтқалар үшін табақтың қандай қалыңдығы қолайлы?  

      A: Ол қалыңдығы 0,5 мм-ден 2,5 мм-ге дейінгі жұқа және орташа қаңылтыр металдарда жақсы жұмыс істейді. Тым қалың металл оны дұрыс құлыптауға мүмкіндік бермейді, ал тым жұқа орнату кезінде деформациялануы мүмкін. Суық илектелген болат, алюминий және тот баспайтын болаттан жасалған парақтар сияқты қарапайым материалдардың бәрі жақсы. Алдын ала бұрғыланған саңылау өлшемі гайканың сыртқы диаметріне сәйкес келетініне көз жеткізіңіз - анықтама үшін қажет болса, өлшем кестесін бере аламыз.  

      Round Knobs With Collar Rolling Nut

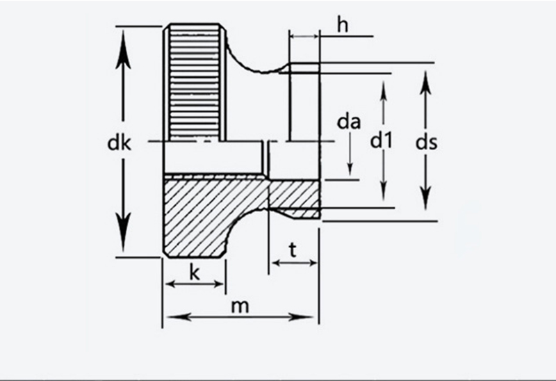
      өлшемі Қадам Сыртқы диаметрі Биіктігі k ds да d1 T h
      макс мин макс мин макс мин макс мин макс
      М3 0,5  11  10.7  6.64  2.8  5.7  3.5  3.2  5.2  1.2 
      M4 0,7  12  11.7  7.64  7.64  4.5  4.2  6.4  2.5  1.5 
      M5 0,8  16  15.7  10  96.6  10  9.64  5.5  5.5 
      M6 20  19.7  12  11.6  12  11.6  6.56  6.2  11  2.5 
      M8 1.25  24  23.7  16  15.6  16  15.6  8.86  8.5  13 
      M10 1.5 30 29.7 20 19.5 8 20 19.5 10.9 10.5 17.2 6.5 3.8
      Hot Tags: Жағалы гайкалы дөңгелек тұтқалар, Қытай, өндіруші, жеткізуші, зауыт
      Қатысты санат
      Сұрау жіберу
      Сұрауыңызды төмендегі формада қалдырыңыз. Біз сізге 24 сағат ішінде жауап береміз.
      X
      We use cookies to offer you a better browsing experience, analyze site traffic and personalize content. By using this site, you agree to our use of cookies. Privacy Policy
      Reject Accept