Үй > Өнімдер > Жаңғақ > Гайканы қолмен бұраңыз > Жоғары жағалы бұралмалы гайка
      Жоғары жағалы бұралмалы гайка
      • Жоғары жағалы бұралмалы гайкаЖоғары жағалы бұралмалы гайка
      • Жоғары жағалы бұралмалы гайкаЖоғары жағалы бұралмалы гайка

      Жоғары жағалы бұралмалы гайка

      Тұрақты дәлдік пен қолдауды инвестициялаңыз. XIAO GUO-ның ұзаққа созылатын жоғары жағалы бұралмалы гайкасы төзімділік үшін жасалған. Біз өз өнімдерімізге сенімділікті қамтамасыз ететін және иеленудің жалпы құнын төмендететін 2 жылдық берік жоғары жағалы бұралмалы гайкамен қамтамасыз етеміз.

      Сұрау жіберу

      Өнім Сипаттамасы

      Сізге Тапсырыс берген кезде біз тегін бере алатын жоғары жағалы жаңғақтарға өзіңіз тіркеген кедендік немесе сапа тексеру сертификаты қажет. Сіз тапсырыс берген кезде оны тегін бере аламыз. Сертификатта сәнді мазмұн жоқ, тек қажетті негізгі ақпарат бар.

      Ол партия нөмірі, шикізат түрі, бетті өңдеу әдісі және негізгі сынақ нәтижелері сияқты мәліметтерді қамтиды. Бұл сынақтар жіп дәлдігін, өлшемнің консистенциясын және тиісті эксперименттерден алынған коррозияға төзімділік деректерін қамтиды. Әрбір сертификатта бірегей қадағалау коды бар, сондықтан оның түпнұсқалығын тексеруге және қажет болса, сынақ мәліметтерін тексеруге болады.

      Құжатта қарапайым тіл пайдаланылады, күрделі техникалық терминдер жоқ. Ол жалпы салалық стандарттарға сәйкес келеді және көптеген халықаралық жөнелтілімдер үшін танылады. Тапсырыс беру кезінде бізге қажет екенін айтыңыз, біз оны жоғары жағалы жаңғақты жеткізуге қосамыз. Бұл қызмет үшін қосымша ақы немесе жалықтыратын процедуралар жоқ.

      Өнімді қолдану

      Ол негізінен қосымша гайкаларсыз жұқа қаңылтырға бұрандалы тесіктерді қосу үшін қолданылады. Сіз оны электроника өндірісінде таба аласыз, мысалы, компоненттерді құрылғы корпустарына орнату немесе компьютерлер мен принтерлерге металл панельдерді бекіту. Бұл жерде жұмыс істейді, себебі ол құрылғылардың ішінде қосымша орын алмайды.

      Жиһаз құрастыруда да жиі кездеседі. Жұмысшылар оны шкаф жақтауларына металл кронштейндерді бекіту немесе металл рельстерге тартпа сырғытпаларын бекіту үшін пайдаланады. Шағын шеберханаларда бұл күшті, сенімді бекітуді қажет ететін құрал қораптары немесе металл сөрелер сияқты арнайы қаңылтыр жобалары үшін ыңғайлы.

      DIY энтузиастары оны металл бақша құралдарын жөндеу немесе шағын металл қолөнер жасау сияқты тапсырмалар үшін де пайдаланады. Бұл жіңішке металлда бұрандалы тесік қажет, бірақ дәнекерлеуді немесе үлкен жабдықты пайдаланғыңыз келмейтін кез келген жұмыс үшін тамаша. Жоғары жағалы бұралмалы гайка жеңіл және орташа қаңылтыр металды бекіту қажеттіліктеріне сәйкес келеді, күрделі құралдармен қосымша қиындықтар болмайды.

      High Collar Knurled Rolling Nut

      Сұрақ-жауап сессиясы

      С: Жеткізуден кейін кейбір өнімдер ақаулы болса ше?

      A: Біріншіден, ақауы бар өнімдерді фотоға немесе бейнеге түсіріп, оларды алғаннан кейін 7 күн ішінде бізге жіберіңіз. Біз мәселені жылдам тексереміз. Егер бұл біздің өндірістегі сапа мәселесі болса, біз ауыстыруды тегін жібереміз. Ауыстыру жеткізу құнын біз өтейтін боламыз. Бізде мұндай мәселелер сирек кездеседі, өйткені әрбір топтама қатаң тексеруден өтеді, бірақ пайдалануыңызға әсер етпеу үшін біз сатылымнан кейінгі мәселелерді дұрыс өңдейміз.  

      High Collar Knurled Rolling Nut


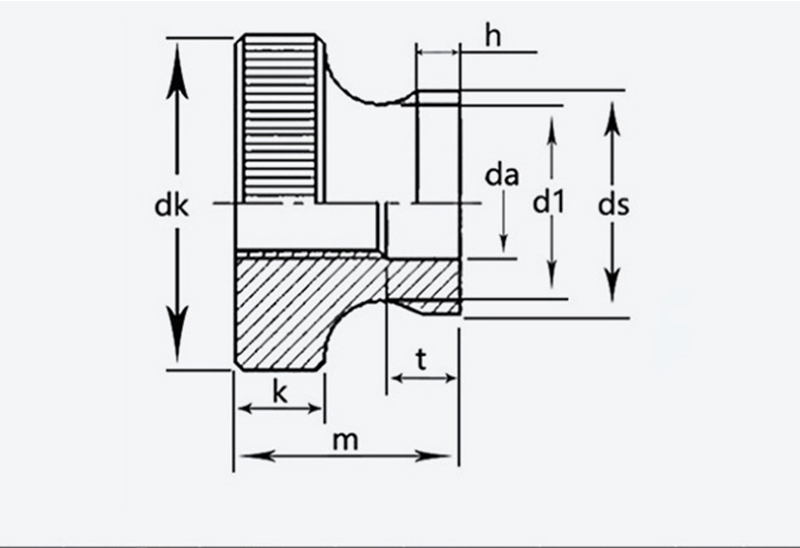
      өлшемі Қадам Сыртқы диаметрі Биіктігі k ds да d1 T h
      макс мин макс мин макс мин макс мин макс
      М3 0,5  11  10.7  6.64  2.8  5.7  3.5  3.2  5.2  1.2 
      M4 0,7  12  11.7  7.64  7.64  4.5  4.2  6.4  2.5  1.5 
      M5 0,8  16  15.7  10  96.6  10  9.64  5.5  5.5 
      M6 20  19.7  12  11.6  12  11.6  6.56  6.2  11  2.5 
      M8 1.25  24  23.7  16  15.6  16  15.6  8.86  8.5  13 
      M10 1.5 30 29.7 20 19.5 8 20 19.5 10.9 10.5 17.2 6.5 3.8
      Hot Tags: Жоғары жағалы бұралмалы гайка, Қытай, өндіруші, жеткізуші, зауыт
      Қатысты санат
      Сұрау жіберу
      Сұрауыңызды төмендегі формада қалдырыңыз. Біз сізге 24 сағат ішінде жауап береміз.
      X
      We use cookies to offer you a better browsing experience, analyze site traffic and personalize content. By using this site, you agree to our use of cookies. Privacy Policy
      Reject Accept