Үй > Өнімдер > Жаңғақ > Гайканы қолмен бұраңыз > Қара никельмен қапталатын гайка
        Қара никельмен қапталатын гайка
        • Қара никельмен қапталатын гайкаҚара никельмен қапталатын гайка
        • Қара никельмен қапталатын гайкаҚара никельмен қапталатын гайка

        Қара никельмен қапталатын гайка

        Тұрақты қара никельмен қапталған гайка құрамдастарын тікелей алыңыз. Қытайдың жетекші қара никельмен қапталатын гайка зауыты ретінде XIAO GUO ең аз үйкеліс, ұзақ қызмет ету мерзімі және жоғары жүк көтергіштігі үшін айналмалы шарикті мойынтіректері бар жаңғақтарды шығарады.

        Сұрау жіберу

        Өнім Сипаттамасы

        Ең көп таралған таңдау - көміртекті болаттан жасалған қара никельді жалататын гайка. Ол жиһаз құрастыру немесе шағын жабдықты жөндеу сияқты қарапайым металл қаңылтыр жұмыстары үшін жеткілікті берік. Көміртекті болаттан жасалғандардың көпшілігінде тоттан қорғайтын мырыш жабыны бар, ол үй ішінде немесе жабық сыртқы дақтарда жақсы жұмыс істейді.

        Ылғал орта немесе сыртқы пайдалану үшін тот баспайтын болаттан жасалған жақсы нұсқа. Ол ылғал мен коррозияға, тіпті жағалауға жақын аздап тұзды жерлерде де төзімді. Сондай-ақ бізде жеңіл қажеттіліктерге арналған алюминий нұсқалары бар — көбінесе ауыр бөлшектер құрылғының жұмысына әсер етуі мүмкін электроникада қолданылады.

        Барлық материалдар негізгі салалық стандарттарға сәйкес келеді, артық қажетсіз өңдеулер жоқ. Күнделікті жұмыстар үшін көміртекті болатты, ылғалды жерлер үшін тот баспайтын болатты және жеңіл жұмыс үшін алюминийді таңдаңыз. Қара никельмен қапталған гайка материалының нұсқалары ең көп таралған құрастыру қажеттіліктерін қамтиды, ешқандай сәнді қондырмалар жоқ, тек практикалық таңдаулар.


        Өнімнің бетін өңдеу

        Мырышпен қаптау - ең кең таралған нұсқа. Бұл тоттың алдын алуға көмектесетін негізгі процесс, үй ішінде немесе жабық сыртқы дақтарды қолдануға жарамды. Ол қосымша қалыңдықты қоспайды, сондықтан орнату кезінде гайка қаңылтыр тесігіне қалай кіретініне әсер етпейді. Күнделікті қолданылатын жаңғақтардың көпшілігі осы еммен бірге келеді.

        Жақсырақ коррозияға төзімділік үшін ыстық мырыштау әдісі бар. Ол әдеттегі мырышпен қапталғаннан қалыңырақ, сондықтан ол ылғалды жерлерде немесе жағалауға жақын цехтар сияқты ылғалдылығы аз жерлерде ұзақ сақталады. Тот баспайтын болаттан жасалған жаңғақтарды пассивациялаумен өңдейміз — бұл олардың сыртқы түрін өзгертпестен табиғи тот баспайтын қабілетін арттырады.

        Мұнда сәнді жабындар жоқ, тек практикалық. Стандартты қажеттіліктер үшін мырышпен қаптауды, ылғалды орта үшін ыстық мырыштауды және тот баспайтын болаттан жасалған үлгілер үшін пассивацияны таңдаңыз. Қара никельмен қапталатын гайканың бетін өңдеудің барлығы металл табақ құрастыру сценарийлеріне сәйкес келетін негізгі қорғанысқа қатысты.

        Black Nickel Plating Rolling Nut

        Сұрақ-жауап сессиясы

        С: Мен оны кәсіби құралдарсыз орната аламын ба?

        Ж: Жоқ, сізге негізгі пресс құралы немесе шағын тойтару машинасы қажет. Қолмен соғу ұсынылмайды; ол гайка жіптерін зақымдайды немесе оны босатады. Шағын партиялар үшін қолмен басып шығару құралы жұмыс істейді. Үлкен тапсырыстар үшін автоматты пресс машинасы тиімдірек. Егер сізде әлі дұрыс болмаса, біз өнімдерімізге сәйкес құрал үлгілерін ұсына аламыз.  

        Black Nickel Plating Rolling Nut



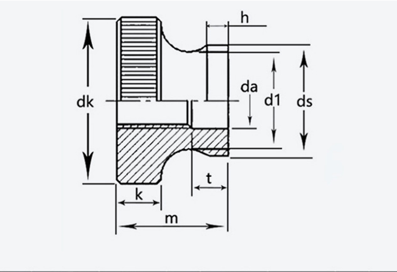
        өлшемі Қадам Сыртқы диаметрі Биіктігі k ds да d1 T h
        макс мин макс мин макс мин макс мин макс
        М3 0,5  11  10.7  6.64  2.8  5.7  3.5  3.2  5.2  1.2 
        M4 0,7  12  11.7  7.64  7.64  4.5  4.2  6.4  2.5  1.5 
        M5 0,8  16  15.7  10  96.6  10  9.64  5.5  5.5 
        M6 20  19.7  12  11.6  12  11.6  6.56  6.2  11  2.5 
        M8 1.25  24  23.7  16  15.6  16  15.6  8.86  8.5  13 
        M10 1.5 30 29.7 20 19.5 8 20 19.5 10.9 10.5 17.2 6.5 3.8
        Hot Tags: Қара никельді жалататын гайка, Қытай, өндіруші, жеткізуші, зауыт
        Қатысты санат
        Сұрау жіберу
        Сұрауыңызды төмендегі формада қалдырыңыз. Біз сізге 24 сағат ішінде жауап береміз.
        X
        Біз cookie файлдарын сізге жақсырақ шолу тәжірибесін ұсыну, сайт трафигін талдау және мазмұнды жекелендіру үшін пайдаланамыз. Осы сайтты пайдалану арқылы сіз cookie файлдарын пайдалануымызға келісесіз. Құпиялылық саясаты
        Қабылдамау Қабылдау